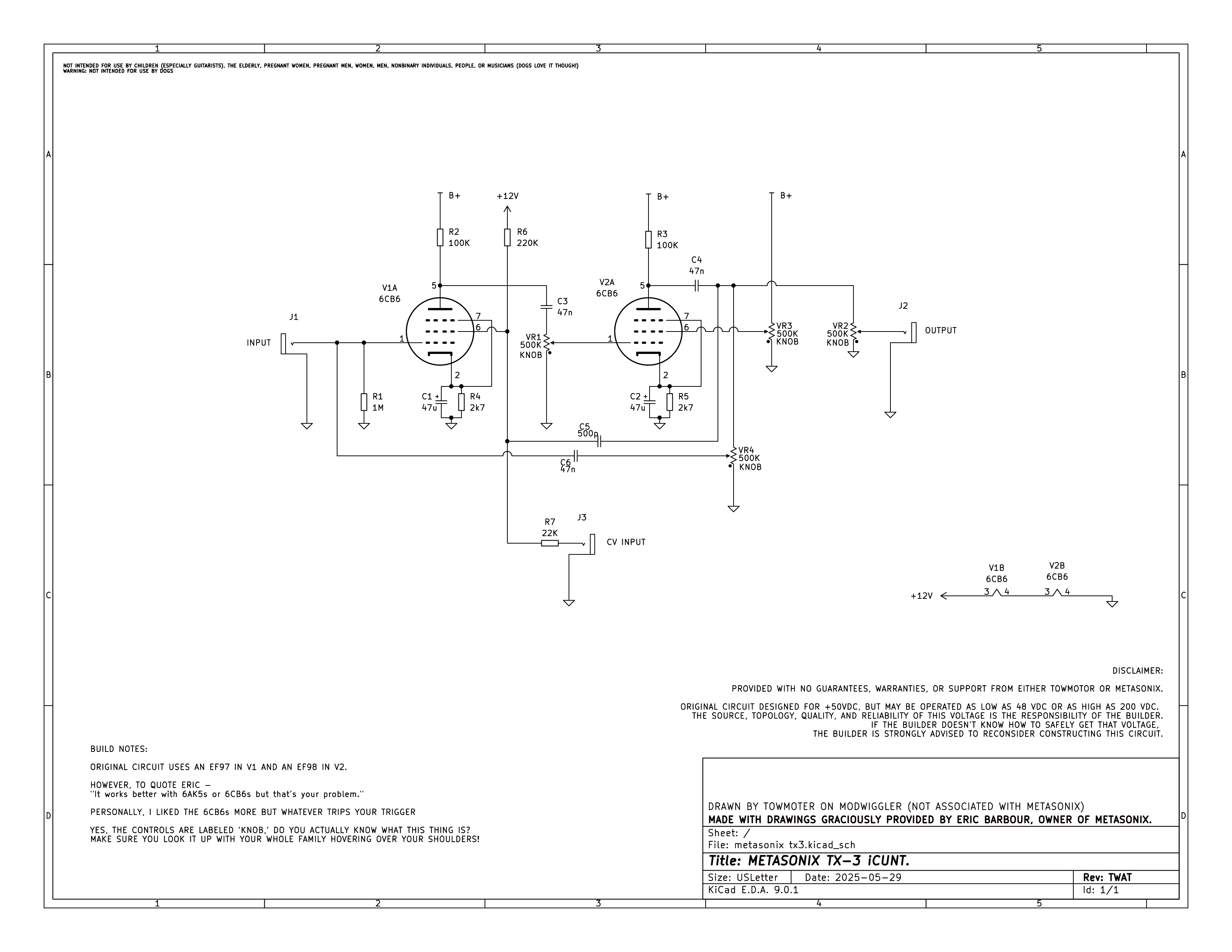
Click through for full size. PDF is available on my Github.
Readers are permitted to construct these circuits FOR THEIR OWN PERSONAL USE ONLY. Eric Barbour retains all rights to them. Any attempt to patent, copyright, trademark, or manufacture them for sale, without the express written permission of Eric Barbour, will result in legal action.
All these projects and designs should be considered dangerous if not lethal if not used safely. When working on projects based on these designs, use extreme care to ensure that you do not come into contact with mains AC voltages or high voltage DC. If you are not confident about working with mains voltages, or high voltages, or you are not legally allowed to work with mains voltages, or high voltages, you are advised not to attempt work on them. The author, host, and all people associated with these web pages disclaim any liability for damages should anyone be killed or injured while working on these projects, or projects based on these designs, or any other project or design presented on these web pages and any associated web pages. The author, host, and all people associated with these web pages also disclaim any liability for projects, or projects based on these designs, or any other project or design presented on these web pages and any associated web pages when used in such a way as to infringe relevant government regulations and by-laws.

No comments:
Post a Comment
Note: Only a member of this blog may post a comment.